产品名称 MTG Material Thickness Gauge,MTG材料厚度计
产品货号
产品价格 现货询价,电话:010-67529703
产品规格
产品品牌 Abq Industrial
产品概述
产品详情 MTG Material Thickness Gauge
00
Material Thickness Gauge

Conveniently performs thickness measurement on rubber, fabrics, foams, tapes/films and a wide assortment of other soft materials

Range: 0-1 inch (0-25 mm)

Range: 0-1 inch (0-25 mm)
Resolution: 0.0001" (0.002 mm)

The MTG Digital Contact Thickness Gage accurately measures thickness of textiles, non-wovens, technical fabrics and many other materials. Using specific diameter presser foot (feeler) and mass (weight) it can measure according to ASTM D1777, D461, D3767, D751-06, ISO 9863-1 and many other international testing standards. The MTG thickness tester features adjustable air dampening to ensure the presser foot is lowered at the same rate every time for excellent repeatability.

The MTG System is supplied with a 16 mm diameter pressor foot and 212 g mass. This configuration is commonly used for measurement of rubber materials with a hardness of 35 IRHD or below. Optional presser foot diameters and related weights are available and custom sizes can be supplied to accommodate your specifications. Refer to details below.

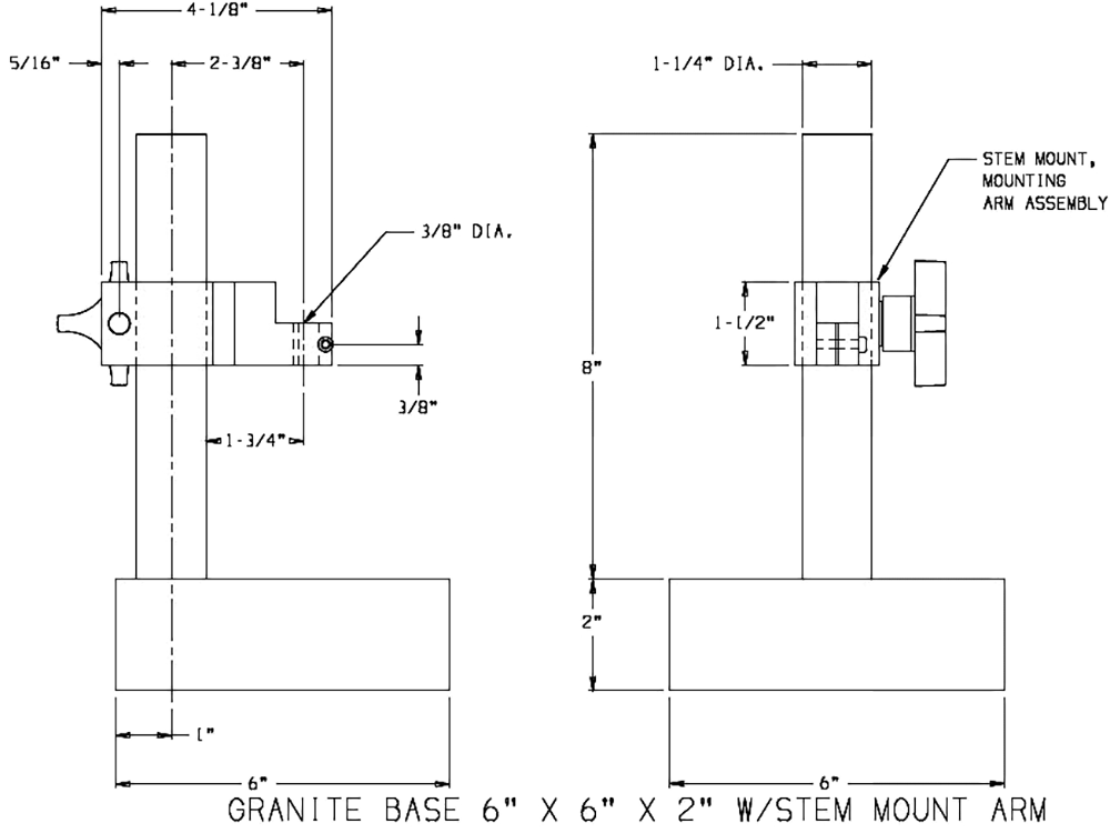
The certified digital indicator includes 3 SPC data output formats, English or Metric display, auto power off, and a left-hand lifting lever. The indicator is fitted on an 8 inch (200 mm) tall column to allow the indicator to be raised or lowered to accommodate different size test specimens. The 6"x6"x 2" (150 x 160 x 50 mm) laboratory grade certified granite base offers a smooth and extremely hard reference plane for precise and repeatable measurements.

For those requiring data output for recording and quality documentation purposes, a serial output cable and windows-based software program is optionally available.

Custom Weights and Footers can be made to meet a wide range of specifications. Contact us for more info.

line
Photo Gallery
line

ABQ ABQ ABQ ABQ ABQ ABQ ABQ ABQ

line
Features
line

  • User-selected units of inch or mm providing resolution of 0.0001" (0.002 mm)
  • Digital Indicator is battery-powered and Auto Power Off functions.
  • Air Dampening feature allows for a repeatable, controlled rate of descent on to sample
  • Electronic Indicator and Granite Base are supplied with traceable certification
  • Custom diameter feet and weights can be supplied to apply the correct pressure (kPA) for your application
  • Three outputs are provided for data transfer; RS-232, Mitutoyo (MTI) and BCD. Cable and Software are offered as an option.
  • Supplied with 16 mm footer with 212g mass. Other footer diameters and weight sets are available. See below.
  • Made and assembled in the USA with 1-Year Warranty
  • Optional "swivel" connectors insures optimal alignment with test sample for the highest possible accuracy & repeatability
  • Software We recommend WinWedge Software for the MTG.

line
Dimensions
line

dimensions

line
Optional Presser Foot (Feeler/Anvil) Offered
line

Presser Foot"A" Dim. (mm)
MTG-01-110.0
MTG-01-28.0
MTG-01-36.3
MTG-01-46.0
MTG-01-55.0
MTG-01-64.0
MTG-01-73.2
MTG-01-816.0
MTG-01-925.0


line
Presser Foot Mass Combinations
line

For Materials Equal to or Above 35 IRHD

Foot ModelFoot Dia. (mm)Mass (g)Mass Model
MTG-01-110.0176MTG-03-1
MTG-01-28.0113MTG-03-2
MTG-01-36.370MTG-03-3
MTG-01-46.063MTG-03-4
MTG-01-55.044MTG-03-5
MTG-01-64.028MTG-03-6
MTG-01-73.218MTG-03-7
MTG-01-816.0452MTG-03-8
MTG-01-925.01104MTG-03-9

For Materials Below 35 IRHD

Foot ModelFoot Dia. (mm)Mass (g)Mass Model
MTG-01-110.080MTG-04-1
MTG-01-28.052MTG-04-2
MTG-01-36.332MTG-04-3
MTG-01-46.029MTG-04-4
MTG-01-55.020MTG-04-5
MTG-01-64.013MTG-04-6
MTG-01-73.28MTG-04-7
MTG-01-816.0212MTG-04-8
MTG-01-925.0518MTG-04-9

Note: Custom Sized presser feet and weights (mass) to fit specific needs or applications are also available.line
Downloads
line

MTG Material Thickness Gauge - Data Transfer Specifications
MTG Material Thickness Gauge - Instruction Manual
MTG Material Thickness Gauge - Data Sheet
MTG Material Thickness Gauge - MTG Components
MTG Material Thickness Gauge - Granite Base Sample Calibration Cert
MTG Material Thickness Gauge - Dial Sample Calibration Cert

line
Buy Now
line


Check the items you would like to purchase then click "Add To Cart"
ItemPrice
$1,695.00
$1,295.00
$1,295.00
AccessoriesPRICE
$350.00
$350.00
$350.00
$485.00
$645.00
$350.00
$85.00
$85.00
$85.00
$85.00
$85.00
$85.00
$85.00
$85.00
$85.00
$95.00
$95.00
$95.00
$95.00
$95.00
$95.00
$95.00
$95.00
$95.00
$95.00
$95.00
$95.00
$125.00
$95.00
$125.00
$125.00
$125.00
$125.00
$195.00
$125.00
$345.00
$95.00
$40.00
$105.00




产品资料