产品名称 Mark-10 TST Manual Torque Test Stand
产品货号
产品价格 现货询价,电话:010-67529703
产品规格
产品品牌 Abq Industrial
产品概述
产品详情 Description
Price:
Manual Torque Test Stand

Convenient side-mounted hand wheel

Modular Design

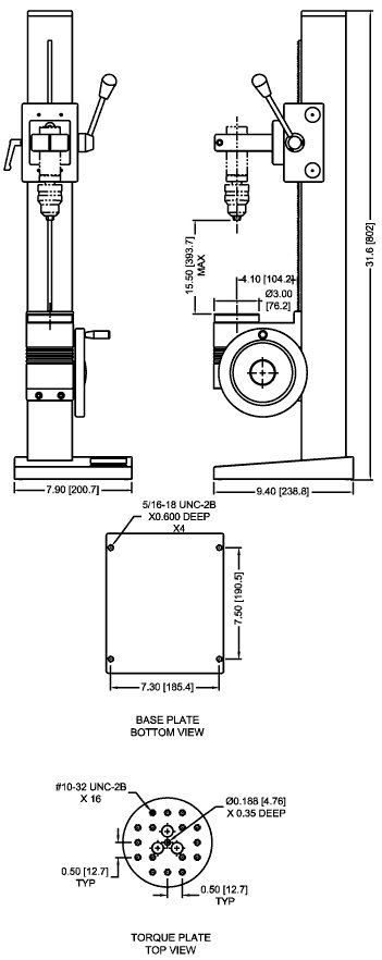
The Mark-10 TST Torque Measurement Test Stand is ideal for a wide variety of torque testing applications up to 100 lbin, including closure torque testing, fastener torque testing, and more. The TST's versatile modular design allows it to be configured for a variety of torque sensors and gripping fixtures. Ultra-smooth hand wheel operation ensures ease of use and a lever-operated slider with travel stops makes engaging and disengaging samples quick and efficient. The stand includes a torque loading plate with tapped holes for grip and custom fixture mounting and a resetable angle indicator.

line
Features
line

  • Angle dial with 2° resolution
  • Torque plate with tapped holes for grip and fixture mounting
  • Lever operated slider for engaging and disengaging samples
  • Adjustable travel stops
  • Smooth hand wheel operation

line
Specifications
line

Maximum Torque100 lbin (11.3 Nm)
Maximum Angular TravelNo limit
Maximum Slider Travel15.5" (394 mm)
Throat4.10" (104 mm)
Angular Rate12°/ wheel rev.
Slider Travel Rate1.047" (26.6 mm)/lever rev


line
Dimensions
line

dimensions

line
Related Products
line

BGI
Remote Sensor Force / Torque Gauge

  • Fully interchangeable force and torque BGI force/torque sensors with "personality" modules
  • Unlimited number of sensors possible due to unique design
  • RS-232, Mitutoyo and analog outputs
related

line

TST001
Digital Angle Indicator

  • Displays cw or ccw angle in .01º resolution
  • Accurate to ±0.7°
related

line

STJ
Universal Torque Sensor

  • Measures bi-directional torque
related

line

G1053
Cap Grip

related

line

G1023
Bottle / Round Sample Grip

related

line

G1022
Jacobs Chuck Grips For TSTM
related

lineBuy Nowline


产品资料