Price: .00
Imada MX-110 Motorized Test Stand with FORCE CONTROL
110lb Capacity
Capacity: 110lbs / 50Kg / 490N The new Imada MX-110 test stand offers consistent and reliable testing. The combination of a screw drive system and state-of-the-art brushless motor provides extremely smooth and powerful operation over the entire speed range. Connect the MX-110 test stand with a Z Series force gauge and enable force controlled testing. Force control can automatically stop testing when the force value reaches the high setpoint programmed on the Z Series force gauge, or maintain the force between the Z Series High and Low setpoints. Force control is ideal for fatigue or non-destructive testing. The MX-110 accepts any of the standard range force gauges. Quick switch and Emergency Stop features are also included. *FORCE GAUGE NOT INCLUDED
Designed to work with the Z2 & ZP force gauges. 
Features

- One stand for both compression (push) and tension (pull) tests
- Force Controlled operation with Z2 and ZP force gauges
- 3 speed ranges:
- 0.4 – 11.5 in/min
- 0.7 - 23.0 in/min (MS)
- 1.5 - 47.0 in/min (HS)
- Jog, Single Cycle, Continuous Cycle, Force Control
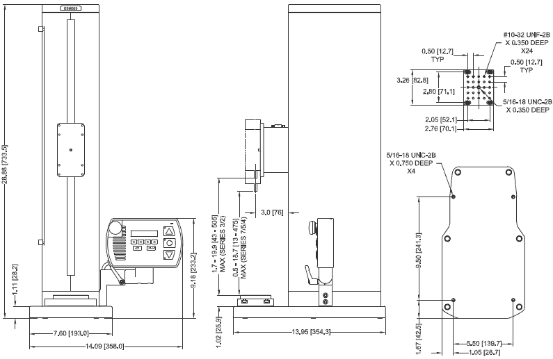
- Maximum clearance 9" (with extender 14")

Ordering Guide

| Model | Speed Range | Distance Meter |
|---|
| MX-110 | 0.4 – 11.5 in/min
(10 - 292 mm/min) | No | | MX-110-MS | 0.7 - 23.0 in/min
(18 - 584 mm/min) | No | | MX-110-HS | 1.5 - 47.0 in/min
(38 - 1194 mm/min) | No | | MX-110S | 0.4 – 11.5 in/min
(10 - 292 mm/min) | Yes | | MX-110S-MS | 0.7 - 23.0 in/min
(18 - 584 mm/min) | Yes | | MX-110S-HS | 1.5 - 47.0 in/min
(38 - 1194 mm/min) | Yes |

Specifications
 | Capacity | 110lbs / 50Kg | | Travel Rate | Refer to Ordering Guide above | | Dimensions | Refer to Dimensions above | | Compatible Gauges | Z2, ZP and DS2 | | Warranty | 2 years |

Dimensions
 

Related Products







Buy Now

|
|