产品名称 AWS TT-QC / AWS-QC Digital Torque Tester,AWS TT-QC / AWS-QC数字扭矩测试仪
产品货号
产品价格 现货询价,电话:010-67529703
产品规格
产品品牌 Abq Industrial
产品概述
产品详情 Description
Price:
AWS TT-QC / AWS-QC Digital Torque Tester - Bench Mount Digital Torque Tester for manual and power torque screwdrivers and wrenches
Ideal for in-house testing and calibration of torque tools
Available in 15 different measuring ranges
Eight selectable engineering units: oz-in, lb-in, lb-ft, N-m, cN-m, Kgf-cm, gf-cm, Kgf-m

Simple bench mount tester for quick tool verification

For testing click, dial, and digital wrenches, plus most power tools including impulse and electric drivers*.

Our smallest and lowest cost bench mount torque tester to date, the TT-QC Quick Check is perfect for quick equipment verification right at your workstation. Small and light enough to use anywhere, this unit can still be used alongside any metrology grade tester.

A unique rotating display and dual bolt pattern allow the tester to be used in both horizontal and vertical configurations. It is ideal for switching between pistol grip and inline tool checking.

The TT-QC takes just seconds to change test parameters, and works in either one button or automatic modes of operation. Reliability and ease of use are enhanced with features such as: Sign Lock, Peak Blanking, Auto Clear.

*Power tools require the use of a run-down-fixture
**Not for use with impact tools or torque multipliers

Also known as the AWS-QC, Aimco Torque Cube


line
Photo Gallery
line


line
Features
line

  • Includes NIST-Traceable Calibration Certificate with data
  • Bidirectional accuracy of ± 1% of indicated reading
  • Eight (8) selectable engineering units: Oz.in., Lb.in., Lb.ft., Nm, cNm, KgfCm, gfCm, Kgfm
  • 3 modes of operation: Track, Peak and 1st Peak
  • Rugged Aluminum Housing
  • NiMH rechargeable batteries provide 8-10 hours continuous use
  • RS-232 Data Output (requires optional cable / software)


line
Video TT-QC with Optional TWT-410 Torque Loader
line


line
Torque Ranges
line

ModelRangeDrive SizeRun-Down Fixture
TT-QC-50z-1/45 - 50 ozf-in1/4"Included
TT-QC-100z-1/410 - 100 ozf-in1/4"Included
TT-QC-200z-1/420 - 200 ozf-in1/4"Included
TT-QC-10i-1/41 - 10 lbf-in1/4"Included
TT-QC-25i-1/42.5 - 25 lbf-in1/4"Included
TT-QC-50i-1/45 - 50 lbf-in1/4"Included
TT-QC-100i-1/410 - 100 lbf-in1/4"Included
TT-QC-150i-1/415 - 150 lbf-in1/4"Included
TT-QC-250i-3/825 - 250 lbf-in3/8"Included
TT-QC-500i-3/850 - 500 lbf-in3/8"Included
TT-QC-750i-3/875 - 750 lbf-in3/8"Included
TT-QC-1000i-3/8100 - 1000 lbf-in3/8"Included
TT-QC-100f-1/210 - 100 lbf-ft1/2"Optional
TT-QC-150f-1/215 - 150 lbf-ft1/2"Optional
TT-QC-250f-1/225 - 250 lbf-ft1/2"Optional
TT-QC-500f-3/450 - 500 lbf-ft3/4"Optional
TT-QC-600f-3/460 - 600 lbf-ft3/4"Optional


line
Specifications
line

Calibrated Range10-100% Full Scale, bi-directional
Accuracy±1% of Indicated Value (within calibrated range)
Resolution4 Active Digits
Overload Protection200% Full Scale bi-directional
Operating ModesTrack, Peak, 1st Peak
FilteringSelectable; 125Hz, 250Hz, 500Hz, 1000Hz, 1500Hz and 2000Hz
Data OutputRS-232
Alarm LimitsPanel Mounted LED for Visual Alarm Limits
PowerInternal NiMH battery, AC Adapter / Charger (included)
WeightAproximately 3lbs depending on transducer
Operating Temp32 - 120 °F (0-50 °C)
Warranty1 Year
Calibration CertificateIncludes NIST Traceable calibration certificate with data
Standard AccesoriesJoint Simulator for 1/4" & 3/8" drives, AC adapter/Charger
Optional AccessoriesJoint Simulators for 1/2", 3/4" & 1" Transducers


line
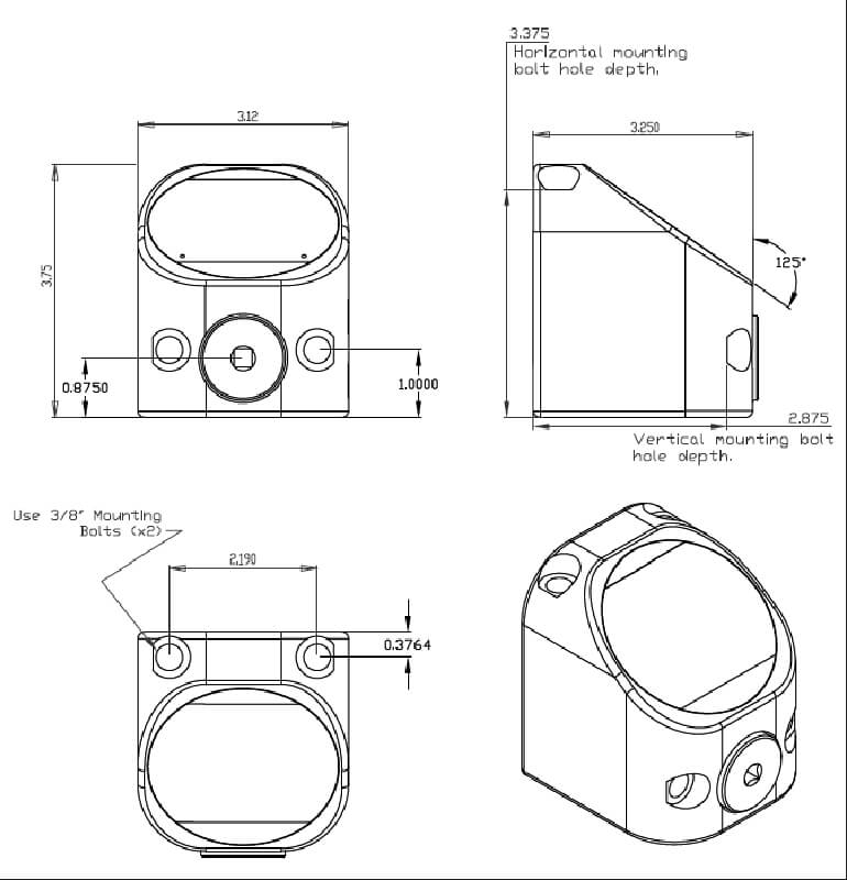
Dimensions
line


line
Related Products
line

TT-QC-CC
Waterproof Carrying Case

  • Injection molded using an advanced patented light-weight high-strength plastic
related

line

TWT-410
Torque Wrench Loader

  • The flexible design of the TWT-410 is easy to use and is suitable for various torque wrench lengths and brands
related

line

TT-QCM
Torque Wrench Tester

  • ±0.5% Accuracy of indicated reading from 10-100% of the capacity (Bidirectional), ±0.25% Optional
related

line

ILTT
Inline Torque Tester

  • Bidirectional accuracy of ±1% of indicated reading
  • 3 modes of operation: Track, Peak and 1st Peak
related

line

TT-CA
Torque Arms, Calibration Arms, Torque Wheels, Calibration Wheel

related

line

RDF
Run Down Fixture - Joint Simulators for Torque Testers

  • Threaded bolt and nut body for simulating bolted joint. On Standard, HD and HE models bolt is standard and easily replaceable from multiple sources
related

line

TDHA
Torque Drive Hex Adapters

related

line

P-190
Impact Dot Printer

related

line

TT-3000
Torque Analyzer - AWS-3000

  • ±0.5% Accuracy of indicated reading from 10-100% of the capacity (Bidirectional), ±0.25% Optional
related

line

IA
Torque Drive Insert Adapters, Sleeve Reducers

related


line
Downloads
line

AWS TT-QC AWS-QC Digital Torque Tester- Data Sheet
AWS TT-QC AWS-QC Digital Torque Tester- Instruction Manual
AWS TT-QC AWS-QC Digital Torque Tester- Mounting Dimensions

line
Buy Now
line


产品资料