3 Ranges up to 88 In-lb
Sample Diameters up to 7.5" (190 mm) The new CAP-TNP torque meter is a precision instrument that measures OPEN and CLOSE torque values for various applications. As a cap torque analyzer, the CAP-TNP repeatedly determines bottle closure and breakaway torque. It has a wide memory capacity capable of storing 1,000 data points in addition to Average, Maximum and Minimum values. A HI-LO comparator feature can be utilized for a large batch testing to ensure overall product quality. The CAP-TNP torque meter is USB capable for computer testing. Combined with the free Digitorq Software, additional analysis and testing can be performed. The Cap-TNP is a portable device powered with internal rechargeable batteries or through an AC Adpater/charger. Designed with a small footprint it can easily be transferred to maximize use around the shop floor or the laboratory. 
Features

- ±0.5% F.S. Accuracy
- Includes Hi/Go/Lo Limits and LED Indicators
- Displays Torque values in, lb-in, Kgcm and Nm, Ncm
- USB interface including FREE Digitorq Software
- Captures Peak Opening, Peak Closing and Average torque values (CCW, CW)
- Three (3) models offered covering small, medium and large sized containers
- One touch operation, retains up to 1000 measurements in memory
- Easy to read L.C.D.
- Rechargeable NIMH batteries and / or Universal AC adapter
- Small foot print, compact, space saver design
- Open Mode:
- Max value when opening
- [CCW torque direction]
- Close Mode:
- Max value when closing
- [CW torque direction]
- Average Mode:
- Continuous torque values in real time
- Includes NIST Traceable Calibration Certificate
- CE Certified
- 2 Year Warranty

Photo Gallery



Torque Ranges

| Model | Capacity | Resolution | | TNP-0.5 | 0-4.425 Lbf-in
0-0.500 Nm
0-50.00 Ncm
0-5099 gcm | 0.001 Lbf-in
0.001 Nm
0.01 Ncm
1 gcm | | TNP-2 | 0-17.70 Lbf-in
0-2.000 Nm
0-200.0 Ncm
0-20.39 Kgcm | 0.01 Lbf-in
0.001 Nm
0.1 Ncm
0.01 Kgcm | | TNP-5 | 0-44.25 Lbf-in
0-5.000 Nm
0-500.0 Ncm
0-50.99 Kgcm | 0.01 Lbf-in
0.001 Nm
0.1 Ncm
0.01 Kgcm | | TNP-10 | 0-88.50 Lbf-in
0-10.00 Nm
0-1000 Ncm
0-102.0 Kgcm | 0.1 Lbf-in
0.01 Nm
1 Ncm
0.1 Kgcm |

Specifications
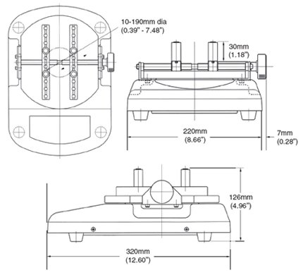
 | Overload protection | 150% | | Sample Diameter Range (min to max) | 0.39" to 7.48" (10 - 190 mm) | | Overload display | Display "OVR" on LCD (blinking on/off) | | Main display | 4-digit LCD display Character height 12mm | | Sub display | 3-digit LCD display Character height 7mm | | Comparator display | Hi, GO, Lo LED Indicators | | Accuracy | ± 0.5% full scale | | Open mode | Max vale when opening. Displays max counter clockwise torque. | | Close mode | Max value when closing. Displays max clockwise torque | | Average mode | Real time display. Displays max torque in real time | | Display Update Time | 1, 2, 4 or 8 updates/second, user-set | | Sampling Rate | 1000 times/second | | Memory data number | 1000 data points (max) | | Statistic process | Average value, max value and min value | | Data output | USB 1.1 | | PC software | Digitorque software | | Accessories | USB cable, AC adapter, 30mm chuck pin (4pcs), Manual | | Power | Built in nickle hydride battery or Auto-ranging AC adapter (AC100 - 240V) | Dimensions
L x W x H | 12.60" x 8.94" x 4.96"
(320 x 227 x 126mm) | | Operation Temperature | 32 - 104°F (0 - 40°C) | | Battery Life | 8 hours after full charge | | Battery Recharge Time | Max. 16 hours | | Battery Type | NiMH | | Approvals | CE | | Warranty | 2 Years |

Dimensions
 

Related Products

CAP-T
Cap Torque Tester / Closure Torque Tester
- 3 Year Warranty
- Accepts samples up to 7.5" (189.4 mm) dia.
- Outstanding Value
|  |


Complete Kit

CAP-TNP includes, tester, set of four - 1" gripping pegs, AC adapter, calibration certificate, USB Cable with CD-Software and instruction manual. 

Downloads
 
Buy Now

|